產品目錄
水蜜桃着色视频
液體流量計
蜜桃视频在线观看免费视频
油流量計
精品蜜桃无码APP
橢圓齒輪流量計
電磁流量計
渦街流量計
蒸汽流量計
孔板流量計
旋進旋渦流量計
熱式氣體質量流量計
轉子流量計
浮子流量計
靶式流量計
氣體流量計
超聲波流量計
磁翻板液位計
浮子液位計
浮球液位計
玻璃管液位計
雷達液位計
超聲波液位計
投入式液位計
壓力變送器
差壓變送器
液位變送器
溫度變送器
熱電偶
熱電阻
雙金屬溫度計
推薦產品
聯係蜜桃视频APP下载免费下载
- 金湖蜜桃视频APP下载免费下载儀表有限公司
- 聯係電話:15195518515
- 在線客服:1464856260
- 電話:0517-86801009
- 傳真號碼:0517-86801007
- 郵箱:1464856260@qq.com
- 網址:http://www.yigreen.com
- 地址:江蘇省金湖縣理士大道61號
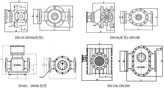
橢圓齒輪流量計的外形尺寸圖
發布時間:2021-03-13 01:34:10 點擊次數:1823次
橢圓齒輪流量計外形尺寸
1 鑄鐵型橢圓齒輪流量計外形尺寸
型號:LC—A、LC—NA


2 鑄鋼型外形尺寸
型號:LC—E、LC—NE、 (外形同上)

*DN10/DN50(輕型)/DN65/DN80(輕型)法蘭尺寸為 1.6MPa 標準;其餘口徑為 6.4MPa 標準;
3 LC—B 型不鏽鋼橢圓齒輪流量計外形尺寸(單位:mm)

*高溫型橢圓齒輪流量計外形尺寸:DN15~DN50(輕型),B 尺寸按上表數據加 100mm 熱延伸管;DN50 (重型)~DN200,B 尺寸按上表尺寸加160mm 熱延伸管,其餘尺寸同上表相應尺寸。
上一篇:液體流量計的工作原理下一篇:橢圓齒輪流量計常見故障分析及處理
